自作水中ランプの詳細をご紹介します。

上:システムの全容
直径45mm板厚3.5mmのアクリルパイプを入手&加工した
フタ部分のOリング機構やスイッチ周りはもちろん手作り
(この製作のために卓上旋盤を買った=これだけなら既製品のランプを買った方が安い)
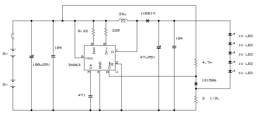
単3電池×4本だと、新品では6Vあるが、エンプティ寸前だと4V位にまで落ちる
一方、照明に使える高輝度白色LEDは1個で3Vくらい印加しないといけない
5個使いだから直列なら15Vだ
そこで、34063という有名なスイッチング電源ICを使い昇圧した
しかし、こういうLEDは定電流で駆動する必要がある。
ただ昇圧してから制限抵抗などで安易に電流を制限したのでは効率が悪い
下記の回路は、定電流制御しながら昇圧するといった特殊回路
これはうまく行った。現在効率は70%を超えた

5番ピンが1.25Vになるように制御がかかるICだ。
入力電圧をスイッチングしエネルギーをLに溜めダイオードで拾い上げる昇圧回路
通常は出力端に抵抗2本で電圧を分割、それを5番ピンに戻し、定電圧を得る
だが、ここでは抵抗分割ではなく、LEDと直列に結んだ2Ωの抵抗の両端電圧を検出フィードバック
すなわち、定電流回路である。
が、右側の4.7kohmと1S1586が無ければその下の2ohmで消費する電力はそのままロス
そこで、1S1586で0.6V減らしたのだ
もちろんダイオードの特性から定電流の正確さは落ちるが
ここは効率重視
下図:駆動回路を見た所

下図:点灯したところ
正面から見ると明るすぎで目が痛い。
魚もきっと迷惑だろうな
